CROSS BAND REPEATER
vollwertige Cross-Band Relaisstation mit 2
Transceivern
Cross-Band-Repeater
erfreuen sich immer größerer Beliebtheit, erlauben Sie es doch den
Einzugsbereich eines Handfunkgerätes beträchtlich zu vergrößern.
Das typische
Anwendungsbeispiel wie es meist gemacht wird:
Der
Funkamateur liegt gemütlich im Lehnstuhl vor dem Fernseher und möchte mit dem
Handfunkgerät auf einem entfernten Relais QRV sein. Leider kann diese
Relaisstation nur mit der großen Außenantenne vom Shack
erreicht werden, mit dem Handfunkgerät ist man chancenlos. Also baut man im Shack einen Cross-Band-Repeater auf, welcher die
Kommunikation der Relaisstation empfängt und zum Handfunkgerät weiterleitet
(und umgekehrt).
Mit dieser
Einrichtung kann man sich mit dem Handfunkgerät im ganzen Haus, und in einigem
Abstand davon frei bewegen und trotzdem auf seiner Frequenz QRV sein.
Zu beachten
ist, dass Funkstationen immer unter Aufsicht des Funkamateurs stehen müssen.
Will man den Cross-Band-Repeater unbeaufsichtigt laufen lassen, so sollte man
ihn nur an einer Dummyload betreiben, was aber für
die geringe Entfernung zum Handfunkgerät meist gut ausreicht.
Die
herkömmliche Art eines Cross-Band-Repeaters ist ein Duo-Band Transceiver mit
eingebauter Cross-Band Funktion. Viele Geräte haben das standardmäßig eingebaut
(z.B. FT-8800), bei anderen Geräten muss man durch kleine Modifikationen (z.B.
Dioden entfernen) diese Funktion erst freischalten.
Herkömmlicher Cross-Band Repeater:
Dieses Bild
zeigt einen Duo-Band Transceiver welcher im Cross-Band Modus arbeitet.
Typisch für
diese Betriebsart ist, dass eine Seite auf 2m und die andere Seite auf 70cm
arbeitet.
Wir haben also auf der linken Seite beispielsweise das 2m Band. Hier funkt das
Gerät mit einer entfernten Relaisstation. Dies wird dann intern im Gerät auf
70cm umgesetzt und auf der rechten Seite zum Handfunkgerät weitergegeben.
Das
Handfunkgerät ist also immer auf 70cm eingestellt, wenn man zu einer entfernten
2m Station funken will, und umgekehrt.
Der Duo-Band
Transceiver macht eine bidirektionale Umsetzung zwischen 2m und 70cm. Der
Vorteil von dieser 2-band Lösung ist, dass nur billige Antennenweichen benötigt
werden, welche in den meisten modernen Transceivern bereits eingebaut sind.

so einfach
diese Lösung auch zu machen ist (einschalten, Geräte einstellen, fertig), so
unpraktisch ist sie leider auch, aus folgendem Grund:
Fast alle
Relaisstationen haben eine Abfallzeit. Nachdem der Funker die PTT losläßt, sendet das Relais noch ein paar Sekunden weiter.
Diese Nachlaufzeit führt bei diesem Cross-Band Repeater jedoch zu einem großen
Problem:
Da auch
diese Nachlaufzeit von der Relaisstation zum Handfunkgerät weitergeleitet wird,
kann das Handfunkgerät in dieser Zeit nicht auf Sendung gehen. Man muss immer
die Nachlaufzeit abwarten bevor man sprechen kann, damit der Cross-Band
Repeater seine Empfangs-/Senderichtung umdrehen kann.
In der
Praxis ist das äußerst störend und macht Funkbetrieb in größeren Runden sogar
unmöglich, da man sich kaum mehr bemerkbar machen kann. Ein weiterer Nachteil
ist, dass nur FM-FM Betrieb möglich ist, eine Umsetzung von D-Star Signalen ist
damit unmöglich.
Aus diesem
Grund habe ich mir eine neue Anordnung für einen Cross-Band Repeater ausgedacht
und aufgebaut, welche alle diese Nachteile nicht hat und vollwertigen
Funkbetrieb zuläßt:
Vollwertiger Cross-Band-Repeater mit 2 Transceivern:
Ziel dieses
neuartigen Cross-Band Repeaters ist:
|
|
einfacher
Aufbau |
|
|
unabhängig
von Relaisnachlaufzeit |
|
|
FM - FM
Umsetzung |
|
|
D-Star -
FM Umsetzung ! |
Dieses Bild
zeigt den Prinzipaufbau mit zwei Duo-Band
Transceivern:

Transceiver-1
muss eigentlich kein Duo-Band Gerät sein, er ist nur auf die Frequenz der
entfernten Relaisstation eingestellt, daher reicht im Prinzip auch ein Monobander.
Betrieb über
externe FM-Relais:
Transceiver-2
muss zwingend ein vollwertiges Duo-Band Gerät sein, ebenso das Handfunkgerät !
Betrieb über
externe D-Star Relais:
Transceiver-2
kann ein Monobandgerät sein, ebenso das Handfunkgerät. Da D-Star Repeater nur
eine sehr kurze Abfallzeit haben, reicht bei Transceiver-2 ein Band,
vorzugsweise das entgegengesetzte Band zum Repeater.
Eine
entfernte Relaisstation auf 145,600 MHz soll gearbeitet werden. Transceiver-1
ist auf diese Station eingestellt, also auf 145,600 MHz mit der üblichen
Relaisablage.
Transceiver-2
muss sich mit dem Handfunkgerät unterhalten. Hier MUSS Sende- und
Empfangsrichtung auf unterschiedlichen Bändern sein damit es funktioniert
! Daher können hier nur echte Duo-Band Geräte zum Einsatz kommen. Wir
stellen das Sendeband des Handfunkgerätes auf eine freie Simplexfrequenz in 2m
Band ein, ebenso das Empfängerband des Transceivers-2. Das Empfangsband des
Handfunkgerätes stellen wir auf eine freie Simplexfrequenz in 70cm Band ein,
ebenso das Senderband des Transceivers-2.
Durch diesen
kleinen Trick mit der Verwendung von 2m und 70cm, sparen wir uns eine sündhaft
teure Antennenweiche. Die in üblichen Duo-Band Geräten bereits eingebaute
Weiche reicht aus.

Wichtig: Die SENDE-Frequenz des
Handfunkgerätes muss immer im gleichen Band liegen wie die Frequenz der
externen Relaisstation. Ansonsten würde man sich den eigenen Cross-Band
Repeater mit dem Handfunkgerät zustopfen !
Mit dieser
Anordnung ist:
|
|
es
jederzeit möglich zur externen Relaisstation zu senden, selbst wenn diese auf
Sendung ist, damit ist vollwertiger Betrieb möglich. |
Anmerkung: der Yaesu
FT-8800 ist ein richtiger Dual-Bander. Das FT-7800
ist das NICHT. Ein richtiger Dual-Bander muss auf
einem Band senden und gleichzeitig am anderen Band empfangen können,
daher wäre ein FT-7800 hier nicht geeignet.
Als
Handfunkgerät kommt bei mir ein IC-91 zum Einsatz. Auch hier können nur Geräte
benutzt werden, die auf einem Band senden und am anderen Band empfangen können
(hier muss es aber nicht gleichzeitig sein).
Eine
entfernte D-Star Relaisstation auf 145,600 MHz soll gearbeitet werden.
Transceiver-1 ist auf diese Station eingestellt, also auf 145,600 MHz mit der
üblichen Relaisablage.
Transceiver-2
muss sich mit dem Handfunkgerät unterhalten. Hier ist Sende- und
Empfangsrichtung auf dem entgegengesetzten Band wie der D-Star Repeater. Das
spart teure Filter vor dem Empfängereingang, wie sie in Relaisstationen benutzt
werden.

Im Gegensatz
zu FM Relais haben D-Star Relais keine lange Abfallzeit. Daher ist der bei FM
notwendige Trick mit unterschie
Natürlich
müssen sich Transceiver-1 und Transceiver-2 miteinander unterhalten können.
Diese Verbindung macht der Repeater-Controller.
Aber keine
Angst, dieser Controller kann bereits auf einfachste Weise gebaut werden, mit 2
Widerständen, 2 Transistoren und ein paar Anschlusskabeln, eine schnell zu
erledigende Arbeit.
Die Aufgabe des Repeater-Controller ist:
|
|
Anpassung
der NF Pegel |
|
|
Steuerung der
PTT |
|
|
optional:
Sicherheitsfunktionen |
Diese
Schaltung zeigt die Minimalausführung eines Repeater Controllers. Einfacher gehts wirklich nicht, aber er bietet bereits die volle Funktionalität !

Hinweise:
|
|
GND (Masse):
muss natürlich nur 1x verdrahtet werden. |
|
|
NF-OUT
(LS): der Lautsprecherausgang kann immer benutzt werden. Unter Umständen geht
auch der 1200 Bd Packet Ausgang an der Datenbuchse.
Dieser hat den Vorteil, dass er unabhängig von der Stellung des
Lautstärkereglers ist, läßt sich aber nicht bei
jedem Transceiver einstellen, das muss man ausprobieren. |
|
|
NF-IN
(MIC): der Mikrofoneingang kann immer benutzt werden. Unter Umständen geht
auch der 1200 Bd Packet Eingang an der Datenbuchse,
das muss man ausprobieren. |
|
|
SQUELCH:
man nimmt das SQL Signal von der Datenbuchse |
|
|
PTT:
entweder man nimmt die PTT an der Datenbuchse, oder die am Mikrofonstecker. |
Dieser
Minimal-Repeater-Controller hat KEINE Sicherheitsabschaltung für unbeabsichtigtes
Dauersenden. Daher darf er nur benutzt werden, wenn man jederzeit Kontrolle
über den Crossband Repeater hat und ihn jederzeit
abschalten kann !
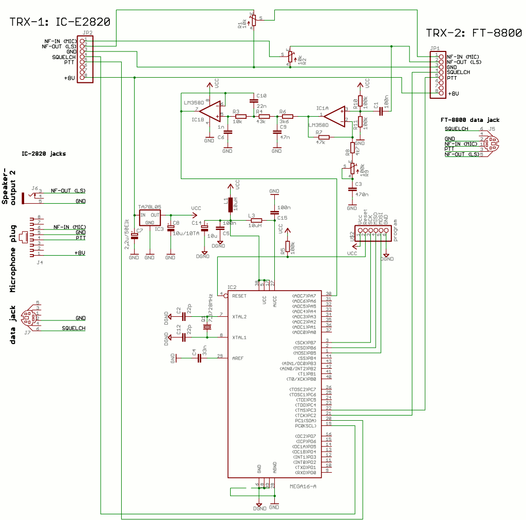
Anschlussbeispiel:
ein Crossband Repeater mit Hilfe eines IC-E2820 und eines
FT-8800 wird wie folgt verdrahtet:

Bei reinen
FM<>FM Crossband-Repeatern kann anstelle des
Mikrofoneingangs auch der 1200 Bd Packet Eingang an
der Datenbuchse verwendet werden. Ich habe allerdings festgestellt, dass die
Modulation am Mikrofoneingang schöner ist. Weiters
kann anstelle des Lautsprecherausgangs auch der NF-Ausgang der Datenbuchse
benutzt weden.
Für
FM<>D-Star muss zwingend der Mikrofoneingang und der Lautsprecherausgang
benutzt werden.
Wie gesagt,
diese Anordnung hat keine Sicherung gegen unbeabsichtigtes Dauersenden. Daher
darf sie nur benutzt werden, wenn der Operator jederzeit Kontrolle über die
Geräte hat, sich also im Nahbereich befindet.
Auch sollte
man verhindern, dass fremde QSOs die zufällig auf der benutzten Simplexfrequenz
laufen nicht übertragen werden. Dafür eignet sich CTCSS oder vor allem DCS
(DTCS) hervorragend. Transceiver-2 sowie das Handfunkgerät werden auf den
gleichen DCS Code gestellt und DCS aktiviert. Damit tastet der Crossband-Repeater nur auf, wenn der korrekte DCS Code
übertragen wird. Mit CTCSS geht das genauso, wenn auch weniger störfest. Beide Systeme sind in praktisch allen modernen
Transceivern eingebaut.
Hier noch
eine Schaltung eines hochwertigen Crossband Repeater
Controllers, der mit Hilfe eines Microcontrollers
Sicherheits- und Schaltvorgänge realisiert.
Die
eingebaute Software verfügt über eine Zeitbegrenzung und schaltet die PTT nach
ein paar Minuten aus. Damit wird sichergestellt dass der Crossband-Repeater
nicht unbeabsichtigt dauerhaft sendet.
Die
Filterschaltung war ursprünglich für einen Software-CTCSS Decoder vorgesehen.
Sie wird aber nicht benutzt, da das verwendete FT-8800 bereits über CTCSS und
DCS verfügt, sie kann also weggelassen werden.

Cross-Band-Repeater
arbeiten wie der Name schon sagt "Cross-Band" also von einem Band auf
das andere, in der Regel von 70cm auf 2m und umgekehrt.
Das ist auch
sehr sinnvoll, denn dadurch senden und empfangen die Funkgeräte immer auf
unterschiedlichen Bändern, was den Aufwand für die Frequenzweichen minimal
macht. Die in den Duoband-Transceivern eingebauten Weichen reichen vollkommen
aus.
In machen
Fälle ist es aber erwünscht, dass beide Transceiver auf dem gleichen Band
arbeiten. Das könnte z.B. in hügeligen Gegenden erforderlich sein, wo das 70cm
Band keine befriedigenden Reichweiten zulässt.
In dem Fall
soll also z.B. eine entfernte Relaisstation auf dem 2m Band über den Crossband-Repeater gearbeitet werden, zusätzlich soll aber
auch die Verbindung zum Handfunkgerät ebenfalls auf 2m erfolgen:

Hier sieht
man sich schnell enormen Problemen gegenüber, da der Sender von Transceiver-1
den Empfänger von Transceiver-2 zustopft und stört.
Die einzige
Lösung für dieses Problem ist der Einbau von hochwertigen Filtertöpfen vor den Empfängereingang
und den Senderausgang:

RX Filterropf:
Dieser
sperrt die Sendefrequenz von TRX-1, also im Bild die 145.000 MHz. Damit wird
verhindert, dass der Sender TRX1 den Empfänger von TRX-2 zustopft.
TX
Filtertopf:
Moderne
Transceiver haben leider ein erhebliches breitbandiges Senderrauschen. Auch
wenn TRX-1 auf 145.000 MHz sendet, so erzeugt er zusätzlich noch eine Menge HF
auf 144.550, der Eingabe von TRX-2. Das führt zu starken Prasselstörungen
in TRX-2. Mit dem TX Filtertopf wird diese Frequenz unterdrückt und das
Sendesignal von TRX-1 gesäubert.
Als Ergebnis
erhält man einen sauberen Empfang bei TRX-2, auch bei schwachen Signalen.
Jetzt könnte
man sich fragen, ob man nicht weitere 2 Filtertöpfe für den anderen Sender und
Empfänger benötigt. Das ist prinzipiell richtig. Jedoch wird man zunächst
einmal dafür sorgen, dass die Empfangsfeldstärke an TRX-1 ausreichend groß ist,
so dass er nicht so leicht zugestopft werden kann.
Ich verwende
als weitere Lösung dafür einen Rückkanal auf 70cm. Das ist oft leicht möglich,
da man bei TRX-2 die Sendeleistung sehr hoch wählen kann, im Gegensatz zur
Sendeleistung des Handfunkgerätes.